WhatsApp, Telegram
Менеджер на сайте Пн-Вс 08:00-23:00 Мск Заказы на сайте принимаются круглосуточно! | ||
Интернет-магазин РАСПРОДАЖ АВТОЛИТЕРАТУРЫ по низким ценам с доставкой почтой БЕЗ ПРЕДОПЛАТЫ по всей России | ||
Поиск по каталогу
Каталог
- Эксплуатация и ТО
- Acura
- Alfa Romeo
- Audi
- BMW
- Chery
- Chevrolet
- Chrysler
- Citroen
- DAF
- Dacia
- Daewoo
- Daihatsu
- Datsun
- Dodge
- Dong Feng
- Fiat
- Ford
- GMC
- Geely
- Great Wall
- Honda
- Hyundai
- Hino
- I-VAN
- Infiniti
- Isuzu
- Iveco
- Jeep
- Kia
- Land Rover
- LDV
-
Lexus
- Lexus GS300
- Lexus GX460
- Lexus GX470 / Toyota Land Cruiser Prado 120
- Lexus LX470 / Toyota Land Cruiser 100
- Lexus LX570 / Toyota Sequoia / Toyota Tundra
- Lexus RX 200t
- Lexus RX300 / RX330 / Toyota Harrier
- Lexus RX270 / 350 / 450h
- Lexus RX400h / Toyota Harrier Hybrid
- Lexus RX350 / Toyota Harrier / Toyota Highlander
- Lexus IS200
- Lexus ES 300
- Lifan
- ZAZ
- MAN
- Mazda
-
Mercedes Benz
- Mercedes MB 100D
- Mercedes 207D-410D
- Mercedes С-класса
- Mercedes E-класса
- Mercedes S-класса
- Mercedes G-класса
- Mercedes GLK-класса
- Mercedes M-класса
- Mercedes ML-класса
- Mercedes Vito / Viano
- Mercedes Sprinter
- Mercedes T-2
- Mercedes W116
- Mercedes W123
- Mercedes W201
- Mercedes серии LK
- Mercedes серии MK / SK
- Mercedes Actros
- Mercedes Atego
- Mercedes Axor
-
Mitsubishi
- Mitsubishi Airtrek
- Mitsubishi ASX
- Mitsubishi Canter
- Mitsubishi Carisma
- Mitsubishi Colt
- Mitsubishi Delica
- Mitsubishi Fuso / Fighter / Canter
- Mitsubishi Lancer
- Mitsubishi Galant
- Mitsubishi Grandis
- Mitsubishi L200
- Mitsubishi L300
- Mitsubishi L400
- Mitsubishi Outlander
- Mitsubishi Pajero / Montero / Pinin / Mini
-
Nissan
- Nissan Almera
- Nissan Avenir
- Nissan Atlas
- Nissan Bluebird
- Nissan Cabstar
- Nissan Expert
- Nissan Juke
- Nissan Maxima QX
- Nissan Cefiro
- Nissan Vanette
- Nissan Murano
- Nissan Navara
- Nissan NV400
- Nissan Note
- Nissan Pathfinder
- Nissan Patrol
- Nissan Pick-Up / NP300
- Nissan Primera
- Nissan Primastar
- Nissan Presage
- Nissan Qashqai
- Nissan Sentra
- Nissan Serena
- Nissan Skyline
- Nissan Sunny
- Nissan Teana
- Nissan Terrano
- Nissan Tiida
- Nissan X-Trail
- Opel
- Peugeot
- Porsche
- Range Rover
-
Renault
- Renault Dokker / Dacia Dokker
- Renault Duster
- Renault Espace
- Renault Fluence
- Renault Vel Satis
- Renault Kaptur
- Renault Kangoo
- Renault Laguna
- Renault Logan
- Renault Magnum
- Renault Master
- Renault Megane
- Renault Modus
- Renault Trafic
- Renault Premium / Premium DXi 11
- Renault Sandero
- Renault Scenic
- Renault Symbol
- Rover
- Saab
- Scania
- Seat
- Skoda
- Ssang Yong
- Subaru
- Suzuki
- TATA
-
Toyota
- Toyota Auris
- Toyota Altezza
- Toyota Alphard
- Toyota Allion
- Toyota Aristo
- Toyota Avensis
- Toyota Caldina
- Toyota Carina
- Toyota Cami
- Toyota Camry
- Toyota Celica
- Toyota Corona
- Toyota Corolla
- Toyota Crown
- Toyota Estima
- Toyota FJ Cruiser
- Toyota Harrier / Toyota Highlander / Lexus RX350
- Toyota Harrier Hybrid / Lexus RX400h
- Toyota Hiace / Grand Hiace
- Toyota Hilux / Surf
- Toyota Kluger
- Toyota Land Cruiser 80
- Toyota Land Cruiser 100 / 105
- Toyota Land Cruiser Prado
- Toyota Land Cruiser 200
- Toyota Lite-Ace / Town-Ace
- Toyota Matrix
- Toyota Mark II / Chaser / Cresta
- Toyota Mark
- Toyota Raum
- Toyota RAV4
- Toyota Sequoia / Toyota Tundra / Lexus LX570
- Toyota Solara
- Toyota Sprinter Carib
- Toyota Sienna
- Toyota Starlet
- Toyota Toyoace / Dyna
- Toyota 4-Runner
- Toyota Venza
- Toyota Vitz / Belta
- Toyota Will
- Toyota Windom
- Toyota Yaris
- Volvo
-
Volkswagen
- Volkswagen Amarok
- Volkswagen Caddy
- Volkswagen Crafter
- Volkswagen Golf 2 / Jetta
- Volkswagen Golf 3 / VW Vento
- Volkswagen Golf 4 / Bora / Jetta
- Volkswagen Golf 5 / Golf Plus / Jetta / Touran
- Volkswagen Golf 6 / Golf GTI / Golf R32
- Volkswagen Golf 7 / Golf GTI / Golf R / Golf GTD
- Volkswagen Jetta
- Volkswagen LT
- Volkswagen Passat B2
- Volkswagen Passat B3 / B4
- Volkswagen Passat B5
- Volkswagen Passat B6
- Volkswagen Passat CC
- Volkswagen Pointer / Volkswagen Gol
- Volkswagen Polo
- Volkswagen Santana
- Volkswagen Sharan
- Volkswagen Tiguan
- Volkswagen Touareg
- Volkswagen Touran
- Volkswagen Transporter T2
- Volkswagen Transporter T4
- Volkswagen Transporter T5
- Villis
- АМО
-
ВАЗ /Lada/ Нива
- Ока/ВАЗ 1111 / 11113
- ВАЗ 2101 / 2102
- ВАЗ 2104 / 2105
- ВАЗ 2106
- ВАЗ 2107 / 21047
- ВАЗ 2108 / 2109
- ВАЗ 2110 / 2111 / 2112
- ВАЗ 2113 / 2114 / 2115
- ВАЗ 2120 Надежда
- Нива/ВАЗ 2121 / 2131 / 21213 / 21214
- Нива Urban
- Chevrolet Niva/ВАЗ 2123
- Lada Granta / ВАЗ 2190 / 2191
- Lada Kalina/ВАЗ 1117 / 1118 / 1119
- Lada Kalina Cross
- Lada Largus
- Lada Priora/ВАЗ 2170 / 2171 / 2172 / 2173
- Lada Vesta / Vesta SW Cross
- Lada Xray
-
ГАЗ
- ГАЗ А / АА
- ГАЗ М-20 Победа
- ГАЗ 21 / ГАЗ 22
- ГАЗ 24 / 24-10 / 24-11
- ГАЗ 3102
- ГАЗ 31029
- ГАЗ 3110 / 310221 / 310231
- ГАЗ 31105
- ГАЗ 2752 / 2310 / 2217 / 22171 Соболь
- ГАЗ 33021 / 2705 ГАЗель / Бизнес
- ГАЗель NEXT
- ГАЗ 33104 Валдай
- ГАЗ 51
- ГАЗ 53
- ГАЗ 63
- ГАЗ 66
- ГАЗ 67
- ГАЗ 69
- ГАЗ 72
- ГАЗ 3307 / 3309
- ГАЗ 33081 / 3308 Садко
- ГАЗ Siber
- ЗАЗ
- ЗИЛ
- ЗИС
- Иж / Москвич
- КамАЗ
- КрАЗ
- Лодочные моторы
- ЛуАЗ
- МАЗ
- РАФ
- УАЗ
- УрАЛ
- ЯАЗ
- ЯМЗ двигатели
- Скутеры и мопеды / мотороллеры
- Мотоциклы
- Квадроциклы / Мотовездехды
- Снегоходы
- Грузовики иностранные
- Грузовики отечественные
- Тракторы
- Комбайны
- Краны
- Прицепы
- Экскаваторы / Погрузчики / Грейдеры
- Двигатели иностранные
- Двигатели отечественные
- КПП / АКПП
- Системы питания
- Автоспорт
- Нормы расхода ГСМ
- Электрооборудование
- ПДД
- Атласы и карты
- Прочее
Сообщество
Только что купили
HYUNDAI CRETA (Хендай Грета) с 2016 бензин. Цветное в фотографиях руководство по ремонту, передний и полный привод
Lada Kalina II/Lada Kalina Cross с 2013 бензин хэтчбек / универсал. Цветная книга по ремонту и эксплуатации
ВАЗ 2108-09-099. Руководство по ремонту+схема электрооборудования а/м ВАЗ 2108,-2109,-21099 с обычной и "высокой" панелью приборов
- Главная
- Иж / Москвич
- Москвич 402
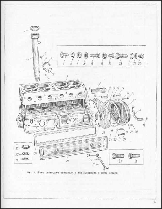
- Каталог деталей и сборочных единиц Москвич 402
Каталог деталей и сборочных единиц Москвич 402
Артикул: 0402си
Каталог деталей и сборочных единиц Москвич 402
Цена: 1745 руб.
Книга Репринт.
Каталог деталей и сборочных единиц Москвич 402. Книга содержит краткую техническую характеристику и развернутые спецификации всех узлов и деталей. В спецификации указаны обозначения узлов и деталей, их наименование, количество на одну сборочную единицу. Каждая группа сопровождается иллюстрациями.
Мягкий переплет 289 стр.
Цена: 1745 руб.







